
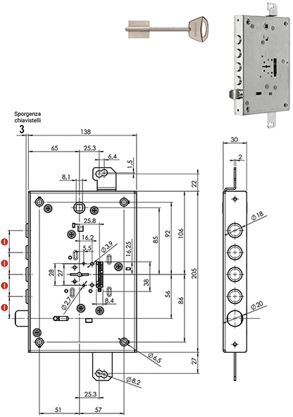
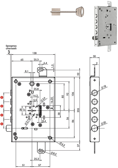
SERRATURE MUL-T-LOCK MATRIX *M* I.28
Serratura applicare triplice DOPPIA MAPPA AD INGRANAGGI. RICIFRABILE con SIM ns.cod.879344. 4 mandate. Scrocco reversibile azionato da chiave e quadro maniglia. Entrata mm.65. 4 catenacci interasse mm.28. Corsa mm.36. Corsa leve rinvio mm.20. In dotazione 3 chiavi (ricambio ns.cod.879348). Chiavistelli indipendenti dalle aste. COMPATIBILE MOTTURA.
