
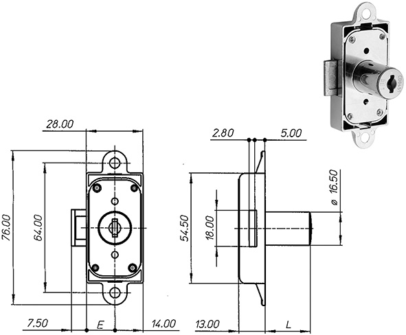
SERRATURE PER MOBILI MERONI 2687
Serratura per antine da applicare ad aste rotanti. Cilindro d.mm.16,5. Scatola in zama nichelata. Rotazione 90?+90? (2 uscite chiave). 2 chiavi in dotazione. Chiave grezza ricambio ns.cod.849522. Possibilit? di avere chiave MAESTRA ns.cod.849523. Modificabili in KA con ns.cod.849180-81. Senza aste ns.cod.849354/55. Senza accessori ns.cod.849359/61.
