
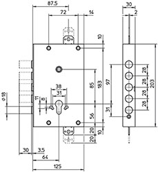
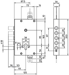
SERRATURE CISA PORTE BLINDATE ART.56505.28.B
Serratura triplice da applicare per porte blindate. Ad ingranaggi. Ambidestra. Per cilindro europeo, dotata di blocco in caso di estrazione del cilindro. Cilindro e aste non compresi. Modello STANDARD CISA.
