
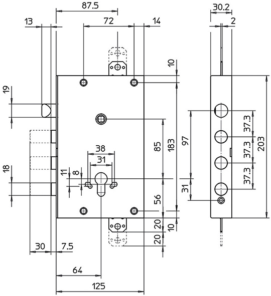
SERRATURE CISA PORTE BLINDATE ART.56515.58.B.00.CA
Serratura triplice da applicare per porte blindate. Ad ingranaggi. Ambidestra con scrocco in alto, reversibile. Catenacci sporgenza 7,5mm. Per cilindro europeo, dotata di blocco in caso di estrazione del cilindro. Cilindro e aste non compresi. Modello CISA per porte tipo BLINFORT.
