
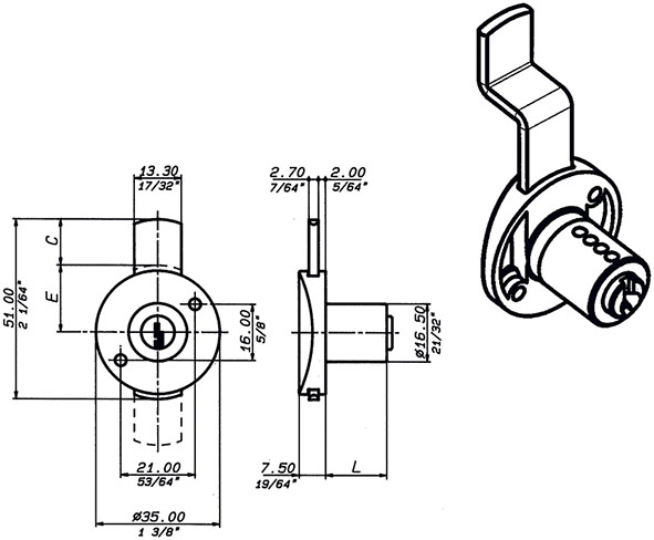
SERRATURE PER MOBILI MERONI 2130 P9
Serratura da applicare per cassetti 2130 versione con CATENACCIO PIEGATO. Cilindro a spine d.mm.16,5. Rotazione 360? (2 uscite chiave). Scatola in resina. Entrata E mm.19. Corsa C mm.13. Due chiavi in dotazione. (Chiave ricambio ns.cod.880578).
