
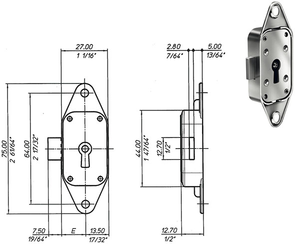
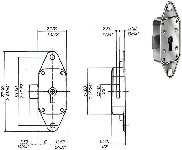
SERRATURE PER MOBILI MERONI-CAS M85
Serratura Meroni-CAS per antine da applicare ad aste rotanti. A leva. Entrata E mm.14. Scatola in polimero. Rotazione 360?. Senza chiavi art.O699 ns.cod.849412/13/14. Senza aste ns.cod.849354/55. Senza accessori ns.cod.849359/61.
